Zapłonnik ST 111 10XBLI2 VDE DSN CEBEC | 4050300064000 Ledvance
Zapłonnik ST 111 10XBLI2 VDE DSN CEBEC
Informacja o Produkcie
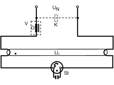
Zapłonniki do połączenia pojedynczego, 230V AC Cechy produktu: Zakres temperatur dla niezawodnego odłączenia: -20…+80 C
- Producent Ledvance
Zapłonnik
- Elektroniczny Nie
- Do wysokoprężnych lamp sodowych Nie
- Do świetlówek kompaktowych Tak
- Do lamp metalohalogenkowych i rtęciowych Nie
- Do niskoprężnych lamp sodowych Nie
- Do świetlówek Tak
- Do lamp o mocy 4 - 65 W
- Rodzaj obwodu Pojedynczy
Podmiot odpowiedzialny
Pokaż/Ukryj
Adres:
Dane kontaktowe:
Do pobrania
Wszystkie obrazy



















