Kod
1106946
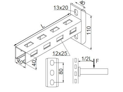
Wysięgnik WWT300 | 711030 Baks
Informacja o Produkcie
Opakowanie zbiorcze zawiera 30 szt.Alternatywny kod produktu: WWT300Mocowanie koryt, drabin kablowych, rur i innych elementów, szczególnie tam gdzie jest mało miejsca na trasy kablowe (np. nad sufitami podwieszanymi).
- Producent Baks
- Seria producenta WWT
Wysięgnik do kablowego systemu nośnego
- Długość 315 mm
- Szerokość 40 mm
- Wysokość 110 mm
- Model Wysięgnik ścienny
- Obciążenie dopuszczalne 1.7 kN
- System utrzymania sprawności działania E30 Nie
- Materiał Stal
- Stal nierdzewna Nie
- Gatunek materiału Inne
- Zabezpieczenie powierzchni Ocynk ogniowy zanurzeniowy
- Kolor Inne
Do pobrania
Wszystkie obrazy







































