Wyłącznik krańcowy, z dźwignią i rolką metalowa obudowa 2xCO, 3A/250V AC, IP65 | VM121 Tracon
Wyłącznik krańcowy, z dźwignią i rolką metalowa obudowa 2xCO, 3A/250V AC, IP65
Informacja o Produkcie
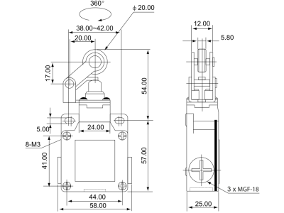
Produkt Tracon Electric VM121 to wyłącznik krańcowy z metalową obudową, wyposażony w dźwignię z rolką, przeznaczony do zastosowań w automatyce przemysłowej. Posiada styki 1xNO+1xNC, obsługuje prąd 6 A przy 230 V AC-15 oraz 0,3 A przy 250 V DC-13, a jego stopień ochrony IP66 zapewnia wysoką odporność na pył i wilgoć. Urządzenie ma kompaktowe wymiary, łatwe podłączenie przewodów przez przepust kablowy oraz zakres temperatur pracy od -25°C do +55°C. Charakteryzuje się trwałą konstrukcją i wysoką żywotnością mechaniczną, co czyni go niezawodnym elementem w wymagających aplikacjach przemysłowych
- Producent Tracon
Wyłącznik krańcowy jednopozycyjny
- Szerokość czujnika 58 mm
- Wysokość czujnika 25 mm
- Długość czujnika 87 mm
- Znamionowy prąd pracy Ie dla AC-15 2 A
- Znamionowy prąd pracy Ie dla DC-13 0.3 A
- Funkcja przełączająca Styk zwłoczny
- Wyjście elektroniczne Tak
- Wymuszone rozłączanie Nie
- Liczba styków pomocniczych bezpieczeństwa 2
- Liczba styków rozwiernych 1
- Liczba styków zwiernych 1
- Liczba styków przełącznych 1
- Materiał obudowy Metal
- Rodzaj elementu wykonawczego Dźwignia z rolką
- Ze wskaźnikiem stanu Nie
- Temperatura otoczenia w warunkach pracy -25 - 55 °C
- Stopień ochrony (IP) IP66
Do pobrania
Wszystkie obrazy



















