Rozłącznik izolacyjny 3-biegunowy, 125A, do pokrętła zewnętrznego | RSI-3125\W01 Spamel
Rozłącznik izolacyjny 3-biegunowy, 125A, do pokrętła zewnętrznego
Informacja o Produkcie
Kompaktowe rozłączniki izolacyjne RSI przeznaczone są do pracy w obwodach o znamionowym napięciu do 690V, w kategoriach użytkowania AC-21A do AC-23A oraz w obwodach prądu stałego o napięciu do 220V. Rozłączniki mogą być instalowane w pomieszczeniach zamkniętych(3 stopień zanieczyszczenia- przeznaczenie przemysłowe),w temperaturze od -40st.C do +70st.C. Wysokość miejsca zainstalowania do 2000 m n.p.m.
- Producent Spamel
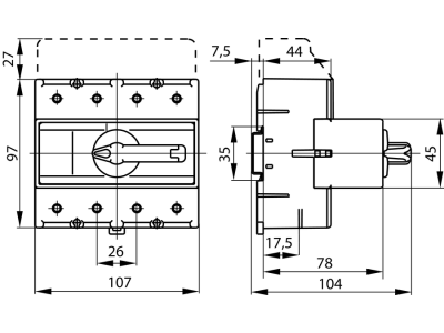
- Wymiary 0.213m x 0.15m x 0.15m
Rozłącznik izolacyjny (AC)
- Jako rozłącznik główny Tak
- Jako rozłącznik remontowy Nie
- Jako rozłącznik bezpieczeństwa Nie
- Jako wyłącznik awaryjny Tak
- Maksymalne znamionowe napięcie pracy Ue AC 690 V
- Znamionowy prąd ciągły Iu 125 A
- Znamionowa moc pracy dla AC-23 30 kW
- Znamionowy warunkowy prąd zwarciowy Iq 7.5 kA
- Opcjonalny napęd silnikowy Nie
- Wbudowany napęd silnikowy Nie
- Opcjonalny wyzwalacz napięciowy Nie
- Budowa urządzenia Urządzenie mocowane na stałe
- Do montażu na płycie Tak
- Do montażu tablicowego 4-otworowego Nie
- Do montażu czołowego centralnie Nie
- Do instalacji w tablicach rozdzielczych Nie
- Do montażu pośredniego Nie
- Rodzaj elementu wykonawczego Pokrętło
- Z mechanizmem ryglującym Nie
- Rodzaj podłączenia styków głównych Połączenie śrubowe
- Stopień ochrony (IP) strony czołowej IP20
- Liczba biegunów 3
Do pobrania
Wszystkie obrazy


































