Rozłącznik główny, awaryjny 3-biegunowy, styki 1NO+1NC, 11,5kW/AC23A, 9,5kW/AC-3, 32A/AC-21A | 3LD2264-1GP53 Siemens
Rozłącznik główny, awaryjny 3-biegunowy, styki 1NO+1NC, 11,5kW/AC23A, 9,5kW/AC-3, 32A/AC-21A
Informacja o Produkcie
Alternatywny kod produktu: 3LD22641GP53Łącznik główny i WYŁĄCZNIK AWARYJNY SENTRON 3LD2 do bezpiecznego odłączania obciążeń w wielu obszarach, np. w silnikach indukcyjnych trójfazowych, systemach klimatyzacji i wentylacji, w maszynach obróbczych i przetwórczych w budowie maszyn i systemów przenośnikowych, w przemyśle chemicznym, spożywczym i napojów.. Modułowa budowa, szybki, łatwy montaż łączników pomocniczych, zacisku przewodu neutralnego-ochronnego albo 4-bieg. Optymalne odłączanie sieci od 16 A do 250 A dzięki możliwości zamykania napędu obrotowego. Stopień ochrony do IP 65 z zamkniętą hermetycznie obudową do zastosowań w otwartej przestrzeni. Możliwość wszechstronnego stosowania na całym świecie dzięki międzynarodowym aprobatom IEC, UL i dla przemysłu stoczniowego. Wyłączniki główne i AWARYJNE 3LD są dostępne w szerokiej gamie wariantów do mocowania przedniego, na płycie montażowej, szynie montażowej lub montażu rozdzielacza, opcjonalnie z napędem obrotowym bezpośrednim lub ze sprzęgłem drzwiowym. W przypadku 3LD2 dostępne są również warianty do zastosowań z prądem stałym. Wyłącznik główny i WYŁĄCZNIK AWARYJNY 3LD - Stałe bezpieczeństwo dla użytkowników i systemów.
- Producent Siemens
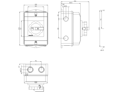
- Wymiary 0.104m x 0.122m x 0.163m
Rozłącznik izolacyjny (AC)
- Jako rozłącznik główny Tak
- Jako rozłącznik remontowy Tak
- Jako rozłącznik bezpieczeństwa Tak
- Jako wyłącznik awaryjny Tak
- Jako przełącznik nawrotny Nie
- Liczba łączników 1
- Maksymalne znamionowe napięcie pracy Ue AC 690 V
- Znamionowy prąd ciągły Iu 32 A
- Znamionowy prąd ciągły dla AC-21 32 A
- Znamionowa moc pracy dla AC-3 9.5 kW
- Znamionowy wytrzymywany prąd krótkotrwały Icw 0.64 kA
- Znamionowa moc pracy dla AC-23 0.0115 kW
- Liczba biegunów 3
- Liczba styków pomocniczych rozwiernych 1
- Liczba styków pomocniczych zwiernych 1
- Opcjonalny napęd silnikowy Nie
- Wbudowany napęd silnikowy Nie
- Opcjonalny wyzwalacz napięciowy Nie
- Budowa urządzenia Urządzenie mocowane na stałe
- Do montażu na płycie Nie
- Do montażu tablicowego 4-otworowego Nie
- Do montażu czołowego centralnie Tak
- Do instalacji w tablicach rozdzielczych Nie
- Do montażu pośredniego Nie
- Kolor elementu sterowniczego Czerwony
- Rodzaj elementu wykonawczego Krótka rączka obrotowa
- Z mechanizmem ryglującym Tak
- Rodzaj podłączenia styków głównych Zacisk ramowy
- Stopień ochrony (IP) strony czołowej IP65
Do pobrania
Wszystkie obrazy



