Przekaźnik miniaturowy, 24VDC, 2C/O, 10A, do gniazd HR5XS2.. | HR302CD024 Lovato Electric
Przekaźnik miniaturowy, 24VDC, 2C/O, 10A, do gniazd HR5XS2..
Informacja o Produkcie
- Producent Lovato Electric
- Wymiary 0.26m x 0.24m x 0.315m
Przekaźnik przełączający
- Z odłączalnymi zaciskami Tak
- Znamionowe napięcie sterowania Us dla DC 24 - 24
- Rodzaj napięcia sterowania DC
- Liczba styków przełącznych 2
- Z wymuszonym prowadzeniem styku Nie
- Rodzaj styku Inne
- Kompletny z gniazdem Nie
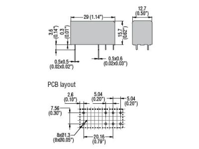
- Szerokość 12.7 mm
- Wysokość 29 mm
- Głębokość 15.7 mm
Do pobrania
Wszystkie obrazy

