Kod
1097505
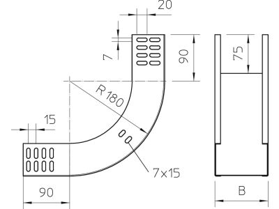
Łuk 90st pionowy 7007014 RBV 620 S FT | 7007014 Obo Bettermann
Łuk 90st pionowy 7007014 RBV 620 S FT
Informacja o Produkcie
Alternatywny kod produktu: RBV 620 S FT
- Producent Obo Bettermann
Łuk do korytek kablowych
- Zmiana kierunku Pionowy wznoszący
- Kąt zgięcia 90°
- Nadaje się do korytka kablowego o wysokości 60 mm
- Nadaje się do korytka kablowego o szerokości 200 mm
- Grubość materiału 1 mm
- Perforacja boczna Nie
- Perforacja montażowa w części dolnej Nie
- Układ otworów montażowych NATO Nie
- Model Bez łącznika
- Model szerokorozpiętościowy Nie
- System utrzymania sprawności działania E30 Nie
- Materiał Stal
- Stal nierdzewna Nie
- Gatunek materiału Inne
- Zabezpieczenie powierzchni Ocynk ogniowy zanurzeniowy
- Kolor Brak
Do pobrania
Wszystkie obrazy






























