Łuk 90st pionowy 60x400, St, FT RBV 640 F FT | 7007072 Obo Bettermann
Łuk 90st pionowy 60x400, St, FT RBV 640 F FT
Informacja o Produkcie
Alternatywny kod produktu: RBV 640 F FT
- Producent Obo Bettermann
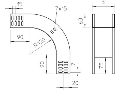
Łuk do korytek kablowych
- Zmiana kierunku Pionowy opadający
- Kąt zgięcia 90°
- Nadaje się do korytka kablowego o wysokości 60 mm
- Nadaje się do korytka kablowego o szerokości 400 mm
- Grubość materiału 1 mm
- Perforacja boczna Nie
- Perforacja montażowa w części dolnej Nie
- Układ otworów montażowych NATO Nie
- Model Bez łącznika
- Model szerokorozpiętościowy Nie
- System utrzymania sprawności działania E30 Nie
- Materiał Stal
- Stal nierdzewna Nie
- Gatunek materiału Inne
- Zabezpieczenie powierzchni Ocynk ogniowy zanurzeniowy
- Kolor Brak
Do pobrania
Wszystkie obrazy






























