Łącznik krzywkowy Łuk 25-22 gwiazda-trójkąt | 922511 Elektromet
Łącznik krzywkowy Łuk 25-22 gwiazda-trójkąt
Informacja o Produkcie
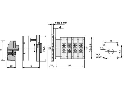
Łączniki krzywkowe Łuk 25-22 Gwiazda-trójkąt 0-Y-Δ IP-65, 25A
- Producent Elektromet
Rozłącznik
- Model Przełącznik gwiazda-trójkąt
- Liczba biegunów 3
- Z pozycją 0 Tak
- Znamionowy prąd ciągły Iu 25 A
- Znamionowa moc pracy dla AC-3 14 kW
- Stopień ochrony (IP) strony czołowej IP65
- Do montażu na płycie Nie
- Do montażu tablicowego Nie
- Do montażu pośredniego Tak
- Kompletne urządzenie w obudowie Nie
- Rodzaj elementu wykonawczego Pokrętło
- Rodzaj podłączenia styków głównych Połączenie śrubowe
Do pobrania
Wszystkie obrazy



















