Kod
1303014
Łącznik korytka LKMC300H100, gr. blachy 2,0mm | 813830 Baks
Łącznik korytka LKMC300H100, gr. blachy 2,0mm
Informacja o Produkcie
Opakowanie zbiorcze zawiera 2 szt.Alternatywny kod produktu: LKMC300H100
- Producent Baks
- Seria producenta LKMC
Łącznik do kablowych systemów nośnych
- Model Łącznik wzdłużny
- Łącznik przegubowy poziomy Nie
- Łącznik przegubowy pionowy Nie
- Rodzaj połączenia Złącze śrubowe
- Do korytek siatkowych Nie
- Do drabinek kablowych Nie
- Do korytek kablowych Tak
- Do kablowego systemu nośnego o szerokości 295 - 295
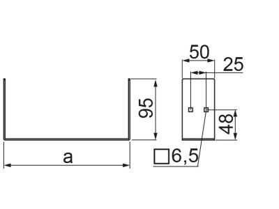
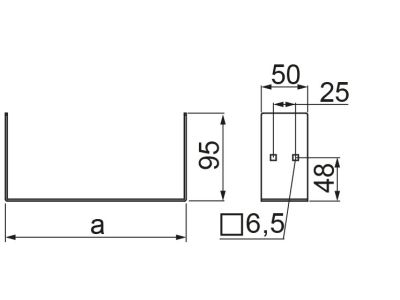
- Do kablowego systemu nośnego o wysokości 100 mm
- Długość 50 mm
- System utrzymania sprawności działania E30 Nie
- Materiał Stal
- Stal nierdzewna Nie
- Gatunek materiału Inne
- Zabezpieczenie powierzchni Ocynk ogniowy zanurzeniowy
- Kolor Inne
Do pobrania
Wszystkie obrazy


































