Kod
1010727
Łącznik korytka LKMC200H50 gr. blachy 2,0mm | 810520 Baks
Łącznik korytka LKMC200H50 gr. blachy 2,0mm
Informacja o Produkcie
Opakowanie zbiorcze zawiera 2 szt.Alternatywny kod produktu: LKMC200H50
- Producent Baks
- Seria producenta LKMC
Łącznik do kablowych systemów nośnych
- Model Łącznik wzdłużny
- Łącznik przegubowy poziomy Nie
- Łącznik przegubowy pionowy Nie
- Rodzaj połączenia Złącze śrubowe
- Do korytek siatkowych Nie
- Do drabinek kablowych Nie
- Do korytek kablowych Tak
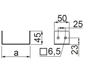
- Do kablowego systemu nośnego o szerokości 195 - 195
- Do kablowego systemu nośnego o wysokości 50 mm
- Długość 50 mm
- System utrzymania sprawności działania E30 Nie
- Materiał Stal
- Stal nierdzewna Nie
- Gatunek materiału Inne
- Zabezpieczenie powierzchni Ocynk ogniowy zanurzeniowy
- Kolor Inne
Do pobrania
Wszystkie obrazy


































