Kod
1191337
Łącznik ceownika LCP8 gr. blachy 6,0mm (STD) | 662800 Baks
Łącznik ceownika LCP8 gr. blachy 6,0mm (STD)
Informacja o Produkcie
Opakowanie zbiorcze zawiera 30 szt.Alternatywny kod produktu: LCP8
- Producent Baks
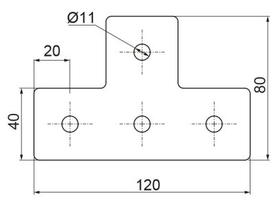
- Wymiary 0.08m x 0.004m x 0.15m
- Seria producenta LCP
Łącznik do wsporników/szyn profilowanych
- Model Łącznik zewnętrzny
- Kąt 90 °
- Materiał Stal
- Gatunek materiału Inne
Do pobrania
Wszystkie obrazy







































