Kod
1011025
Korytko siatkowe zgrzewane z drutu galwanicznego KSG35H35/3 (3m) | 930210 Baks
Korytko siatkowe zgrzewane z drutu galwanicznego KSG35H35/3 (3m)
Informacja o Produkcie
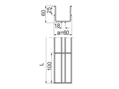
Długość 3 m.Alternatywny kod produktu: KSG35H35/3Prowadzenie trasy kablowej.
- Producent Baks
- Seria producenta KSG
Korytko siatkowe
- Kształt profilu Profil U
- Wysokość 35 mm
- Szerokość 35 mm
- Długość 3000 mm
- Przekrój użyteczny 450 mm²
- Model Bez łącznika
- Połączenie bezśrubowe Nie
- Liczba wbudowanych przegród Brak
- Model szerokorozpiętościowy Nie
- System utrzymania sprawności działania E30 Nie
- Materiał Stal
- Stal nierdzewna Nie
- Gatunek materiału Inne
- Zabezpieczenie powierzchni Ocynk galwaniczny
- Kolor Inne
Do pobrania
Wszystkie obrazy


































