Kod
1011025
Korytko siatkowe KSC500 H100/6 N, gr. blachy 2,0mm (6m) | 220151 Baks
Korytko siatkowe KSC500 H100/6 N, gr. blachy 2,0mm (6m)
Informacja o Produkcie
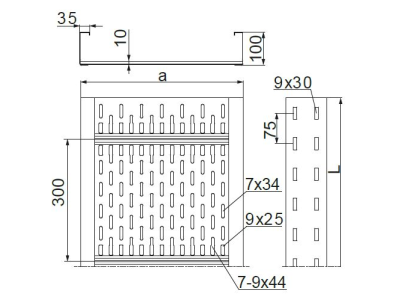
Długość 6 m.Alternatywny kod produktu: KSC500H100/6NProwadzenie trasy kablowej w halach lub miejscach o ograniczonej ilości konstrukcji wsporczych. Duża wytrzymałość koryt pozwala na stosowanie podpór nawet co 8 m. Stal cynkowana metodą Sendzimira PN-EN 10346:2015-09. Korytka przystosowane do montowania uchwytów kablowych UKZ1/UKZO1 i UKZ2.Łączenie koryt tylko przy użyciu łączników.
- Producent Baks
- Seria producenta KSC
Korytko kablowe
- Wysokość 100 mm
- Szerokość 500 mm
- Grubość materiału 2 mm
- Długość 6000 mm
- Przekrój użyteczny 49800 mm²
- Perforacja boczna Tak
- Perforacja montażowa w części dolnej Tak
- Układ otworów montażowych NATO Nie
- Model Bez łącznika
- Model szerokorozpiętościowy Tak
- System utrzymania sprawności działania E30 Nie
- Materiał Stal
- Stal nierdzewna Nie
- Gatunek materiału Inne
- Zabezpieczenie powierzchni Ocynk ogniowy zanurzeniowy
- Kolor Brak
- Z pokrywą Nie
Do pobrania
Wszystkie obrazy


































