Korytko kablowe RKSM 60/500/0, 9 6047722 RKSM 650 A4 (3m) | 6047722 Obo Bettermann
Korytko kablowe RKSM 60/500/0, 9 6047722 RKSM 650 A4 (3m)
Informacja o Produkcie
Długość 3 m.Alternatywny kod produktu: RKSM 650 A4
- Producent Obo Bettermann
- Seria producenta RKSM-Serie
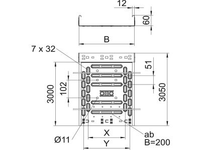
Korytko kablowe
- Wysokość 60 mm
- Szerokość 500 mm
- Grubość materiału 0.9 mm
- Długość 3050 mm
- Przekrój użyteczny 29800 mm²
- Perforacja boczna Tak
- Perforacja montażowa w części dolnej Tak
- Układ otworów montażowych NATO Nie
- Model Zintegrowany łącznik
- Model szerokorozpiętościowy Nie
- System utrzymania sprawności działania E30 Nie
- Materiał Stal nierdzewna
- Stal nierdzewna Nie
- Gatunek materiału Stal nierdzewna 316 (V4A)
- Zabezpieczenie powierzchni Inne
- Kolor Brak
- Z pokrywą Nie
Do pobrania
Wszystkie obrazy

