Korytko kablowe MKS perforowane, kpl. łączników 35x300, St, FS MKS 330 FS (3m) | 6053637 Obo Bettermann
Korytko kablowe MKS perforowane, kpl. łączników 35x300, St, FS MKS 330 FS (3m)
Informacja o Produkcie
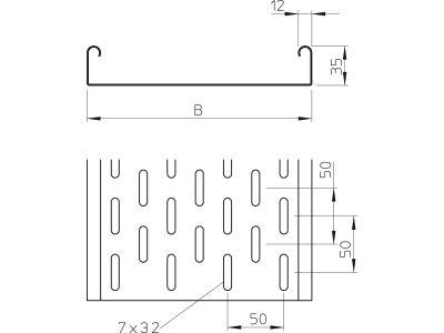
Długość 3 m.Alternatywny kod produktu: MKS 330 FSSystem średniociężkich koryt kablowych, o wysokości boku 35mm, ocynkowane metodą Sendzimira. Magnetyczna tłumienność sprzężeniowa bez pokrywy 20dB, z pokrywą 50dB. Szerokość: 300mm. Grubość blachy: 1mm. Długość: 3000mm.
- Producent Obo Bettermann
- Seria producenta MKS-Serie
Korytko kablowe
- Wysokość 35 mm
- Szerokość 300 mm
- Grubość materiału 1 mm
- Długość 3000 mm
- Przekrój użyteczny 10300 mm²
- Perforacja boczna Tak
- Perforacja montażowa w części dolnej Tak
- Układ otworów montażowych NATO Nie
- Model Łącznik na wyposażeniu
- Model szerokorozpiętościowy Nie
- System utrzymania sprawności działania E30 Nie
- Materiał Stal
- Stal nierdzewna Nie
- Gatunek materiału Inne
- Zabezpieczenie powierzchni Ocynk galwaniczny
- Kolor Brak
- Z pokrywą Nie
Do pobrania
Wszystkie obrazy

