Końcówka wtykowa KWA 6, przekrój: 6mm2 (opak 100szt) | KWA_6/100 Erko
Końcówka wtykowa KWA 6, przekrój: 6mm2 (opak 100szt)
Informacja o Produkcie
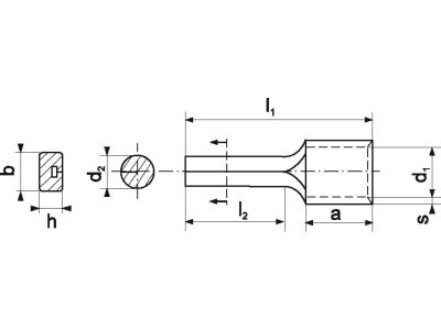
Opakowanie zawiera 100 szt.Alternatywny kod produktu: KWA_6/100Końcówki kablowe wtykowe KWA stosuje się do kabli Cu wielodrutowych. Pozbawiona jest izolacji. Materiał, z którego jest wykonana to standardowo miedź cynowana galwanicznie. Końcówka wykonana jest według normy DIN 46230. KWA występuje w rozmiarach pasujących do przekrojów żyły w zakresach: 0,5 – 1 mm2, 1,5 – 2,5 mm2, 4 – 6 mm2 oraz 10 i 16 mm2
- Producent Erko
- Seria producenta KWA
Końcówka kablowa zaciskana do przewodów miedzianych
- Kształt końcówki Widełkowy
- Zgodne z DIN Tak
- Izolacja Brak
- Przekrój nominalny 4 - 6 mm²
- W taśmie Nie
- Do przewodów wielożyłowych Tak
- Materiał Miedź
- Zabezpieczenie powierzchni Cynowanie
Podmiot odpowiedzialny
Pokaż/Ukryj
Adres:
Dane kontaktowe:
Do pobrania
Wszystkie obrazy



















