Końcówka oczkowa Al rurowa ARC 16-50, przekrój: 50mm2, otwór pod śrubę M16 | ARC_16-50/1 Erko
Końcówka oczkowa Al rurowa ARC 16-50, przekrój: 50mm2, otwór pod śrubę M16
Informacja o Produkcie
Opakowanie zbiorcze zawiera 10 szt.
- Producent Erko
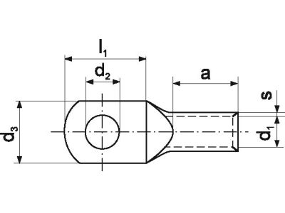
Końcówka kablowa prasowana do przewodów aluminiowych
- Kształt przekroju Okrągły
- Przekrój nominalny przewodu aluminiowego 50 - 50 mm²
- Rozmiar gwintu metrycznego przyłącza 16
- Materiał Aluminium
- Do linki stalowo-aluminiowej Nie
- Szczelne Nie
- Liczba otworów montażowych 1
- Zgodne z DIN Nie
- Kolor Inne
Podmiot odpowiedzialny
Pokaż/Ukryj
Adres:
Dane kontaktowe:
Do pobrania
Wszystkie obrazy



















