Końcówka oczkowa Al rurowa ARC 16-240, przekrój: 240mm2, otwór pod śrubę M16 | ARC_240/1 Erko
Końcówka oczkowa Al rurowa ARC 16-240, przekrój: 240mm2, otwór pod śrubę M16
Informacja o Produkcie
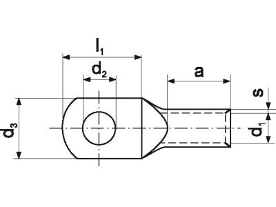
Opakowanie zbiorcze zawiera 10 szt.Alternatywny kod produktu: ARC_240/1Aluminiowe końcówki rurowe są niezbędne przy licznych pracach elektrycznych. Służą do zakańczania żył aluminiowych okrągłych i sektorowych. Zastosowanie końcówek rurowych aluminiowych zmniejsza zjawisko przegrzewania się żył i izolacji przewodów, zwiększając tym samym bezpieczeństwo i trwałość połączenia. Aby trwale zaprasować końcówkę rurową aluminiową, należy zaprasować ją przy użyciu odpowiedniego narzędzia (w przypadku żył sektorowych należy najpierw przeformować żyłę na okrągło).
- Producent Erko
- Wymiary 0.129m x 0.106m x 0.187m
- Seria producenta ARC
Końcówka kablowa prasowana do przewodów aluminiowych
- Kształt przekroju Okrągły
- Przekrój nominalny przewodu aluminiowego 240 - 240
- Rozmiar gwintu metrycznego przyłącza 16
- Materiał Aluminium
- Do linki stalowo-aluminiowej Nie
- Szczelne Nie
- Liczba otworów montażowych 1
- Zgodne z DIN Nie
- Kolor Inne
Do pobrania
Wszystkie obrazy




















