Końcówka oczkowa Al rurowa ARC 12-25, przekrój: 25mm2, otwór pod śrubę M12 | ARC_12-25/1 Erko
Końcówka oczkowa Al rurowa ARC 12-25, przekrój: 25mm2, otwór pod śrubę M12
Informacja o Produkcie
Opakowanie zbiorcze zawiera 20 szt.
- Producent Erko
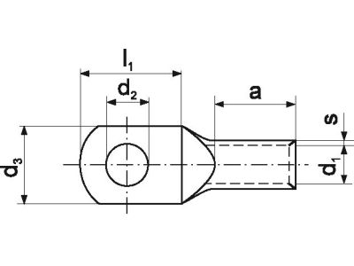
Końcówka kablowa prasowana do przewodów aluminiowych
- Kształt przekroju Okrągły
- Przekrój nominalny przewodu aluminiowego 125 - 125 mm²
- Rozmiar gwintu metrycznego przyłącza 12
- Materiał Aluminium
- Do linki stalowo-aluminiowej Nie
- Szczelne Nie
- Liczba otworów montażowych 1
- Zgodne z DIN Nie
- Kolor Inne
Podmiot odpowiedzialny
Pokaż/Ukryj
Adres:
Dane kontaktowe:
Do pobrania
Wszystkie obrazy



















