Końcówka oczkowa Al rurowa ARC 10-16, przekrój: 16mm2, otwór pod śrubę M10 | ARC_10-16/1 Erko
Końcówka oczkowa Al rurowa ARC 10-16, przekrój: 16mm2, otwór pod śrubę M10
Informacja o Produkcie
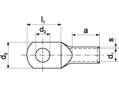
Opakowanie zbiorcze zawiera 20 szt.Aluminiowe końcówki rurowe są niezbędne przy licznych pracach elektrycznych. Służą do zakańczania żył aluminiowych okrągłych i sektorowych. Zastosowanie końcówek rurowych aluminiowych zmniejsza zjawisko przegrzewania się żył i izolacji przewodów, zwiększając tym samym bezpieczeństwo i trwałość połączenia. Aby trwale zaprasować końcówkę rurową aluminiową, należy zaprasować ją przy użyciu odpowiedniego narzędzia (w przypadku żył sektorowych należy najpierw przeformować żyłę na okrągło).
- Producent Erko
- Wymiary 0.054m x 0.01m x 0.015m
- Seria producenta ARC
                    Końcówka rurowa do przewodów miedzianych                
                - Rozmiar gwintu metrycznego przyłącza 10
- Kąt połączenia 180° (poziomo)
- Kształt końcówki Oczkowy
- Model bez kołnierza Tak
- Z izolacją Nie
- Z otworem kontrolnym Nie
- Materiał Miedź
- Zabezpieczenie powierzchni Cynowanie
- Nominalny przekrój poprzeczny 16 mm²
Do pobrania
Wszystkie obrazy
 
                 
                 
    






 
                
                                


















