Końcówka oczkowa Al rurowa AR 20-240, przekrój: 240mm2, otwór pod śrubę M20 | AR_20-240/10 Erko
Końcówka oczkowa Al rurowa AR 20-240, przekrój: 240mm2, otwór pod śrubę M20
Informacja o Produkcie
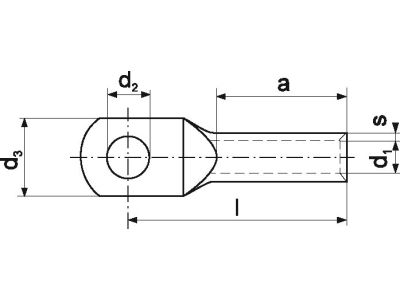
Opakowanie zbiorcze zawiera 10 szt.Alternatywny kod produktu: AR_20-240/10Końcówka rurowa aluminiowa
- Producent Erko
- Seria producenta AR
Końcówka kablowa prasowana do przewodów aluminiowych
- Kształt przekroju Okrągły
- Przekrój nominalny przewodu aluminiowego 240 - 240 mm²
- Przekrój nominalny przewodu aluminiowego 300 - 300 mm²
- Rozmiar gwintu metrycznego przyłącza 20
- Materiał Aluminium
- Do linki stalowo-aluminiowej Nie
- Szczelne Nie
- Liczba otworów montażowych 1
- Zgodne z DIN Tak
- Kolor Inne
Podmiot odpowiedzialny
Pokaż/Ukryj
Adres:
Dane kontaktowe:
Do pobrania
Wszystkie obrazy



















