Końcówka oczkowa Al rurowa AR 10-35, przekrój: 35mm2, otwór pod śrubę M10 | AR_10-35/10 Erko
Końcówka oczkowa Al rurowa AR 10-35, przekrój: 35mm2, otwór pod śrubę M10
Informacja o Produkcie
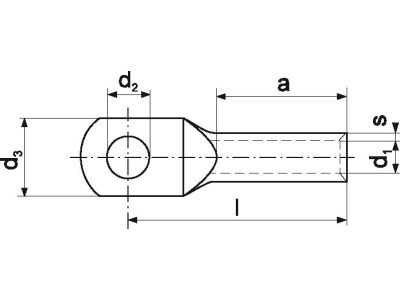
Opakowanie zbiorcze zawiera 10 szt.Alternatywny kod produktu: AR_10-35/10Aluminiowe końcówki rurowe są niezbędne przy licznych pracach elektrycznych. Służą do zakańczania żył aluminiowych okrągłych i sektorowych. Zastosowanie końcówek rurowych aluminiowych zmniejsza zjawisko przegrzewania się żył i izolacji przewodów, zwiększając tym samym bezpieczeństwo i trwałość połączenia. Aby trwale zaprasować końcówkę rurową aluminiową, należy zaprasować ją przy użyciu odpowiedniego narzędzia (w przypadku żył sektorowych należy najpierw przeformować żyłę na okrągło). Wykonanie: wymiary części rurowej wg DIN 46267 cz.2
- Producent Erko
- Wymiary 0.08m x 0.015m x 0.063m
- Seria producenta AR
Końcówka kablowa prasowana do przewodów aluminiowych
- Kształt przekroju Okrągły
- Przekrój nominalny przewodu aluminiowego 35 - 35 mm²
- Przekrój nominalny przewodu aluminiowego 50 - 50 mm²
- Rozmiar gwintu metrycznego przyłącza 10
- Materiał Aluminium
- Do linki stalowo-aluminiowej Nie
- Szczelne Nie
- Liczba otworów montażowych 1
- Zgodne z DIN Tak
- Kolor Inne
Podmiot odpowiedzialny
Pokaż/Ukryj
Adres:
Dane kontaktowe:
Do pobrania
Wszystkie obrazy



















