Końcówka oczkowa Al rurowa AR 10-16, przekrój: 16mm2, otwór pod śrubę M10 | AR_10-16/20 Erko
Końcówka oczkowa Al rurowa AR 10-16, przekrój: 16mm2, otwór pod śrubę M10
Informacja o Produkcie
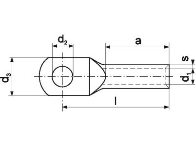
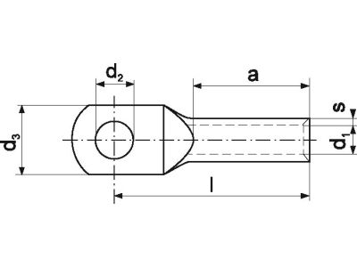
Opakowanie zbiorcze zawiera 20 szt.Alternatywny kod produktu: AR_10-16/20Aluminiowe końcówki rurowe są niezbędne przy licznych pracach elektrycznych. Służą do zakańczania żył aluminiowych okrągłych i sektorowych. Zastosowanie końcówek rurowych aluminiowych zmniejsza zjawisko przegrzewania się żył i izolacji przewodów, zwiększając tym samym bezpieczeństwo i trwałość połączenia. Aby trwale zaprasować końcówkę rurową aluminiową, należy zaprasować ją przy użyciu odpowiedniego narzędzia (w przypadku żył sektorowych należy najpierw przeformować żyłę na okrągło). Wykonanie: wymiary części rurowej wg DIN 46267 cz.2
- Producent Erko
- Wymiary 0.063m x 0.013m x 0.017m
- Seria producenta AR
Końcówka kablowa prasowana do przewodów aluminiowych
- Kształt przekroju Okrągły
- Przekrój nominalny przewodu aluminiowego 16 - 16
- Przekrój nominalny przewodu aluminiowego 25 - 25
- Rozmiar gwintu metrycznego przyłącza 10
- Materiał Aluminium
- Do linki stalowo-aluminiowej Nie
- Szczelne Nie
- Liczba otworów montażowych 1
- Zgodne z DIN Tak
- Kolor Inne
Do pobrania
Wszystkie obrazy

