Kod
1007501
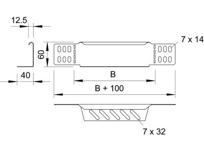
Kątownik redukcyjny/końcówka do korytka kablowego 60x600, St, DD RWEB 660 DD | 7106130 Obo Bettermann
Kątownik redukcyjny/końcówka do korytka kablowego 60x600, St, DD RWEB 660 DD
Informacja o Produkcie
Alternatywny kod produktu: RWEB 660 DD
- Producent Obo Bettermann
Zakończenie do korytka kablowego
- Nadaje się do korytka kablowego o szerokości 600 mm
- System utrzymania sprawności działania E30 Nie
- Materiał Stal
- Stal nierdzewna Nie
- Gatunek materiału Inne
- Zabezpieczenie powierzchni Inne
- Kolor Brak
Podmiot odpowiedzialny
Pokaż/Ukryj
Adres:
Dane kontaktowe:
Do pobrania
Wszystkie obrazy































