Kątownik redukcyjny/końcówka do korytka kablowego 60x500, St, FS RWEB 650 FS | 7109504 Obo Bettermann
Kątownik redukcyjny/końcówka do korytka kablowego 60x500, St, FS RWEB 650 FS
Informacja o Produkcie
Alternatywny kod produktu: RWEB 650 FS
- Producent Obo Bettermann
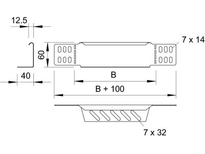
Zakończenie do korytka kablowego
- Nadaje się do korytka kablowego o szerokości 500 mm
- System utrzymania sprawności działania E30 Nie
- Materiał Stal
- Stal nierdzewna Nie
- Gatunek materiału Inne
- Zabezpieczenie powierzchni Ocynk galwaniczny
- Kolor Brak
Do pobrania
Wszystkie obrazy































