Kod
1010727
Kątownik redukcyjny/końcówka do korytka kablowego 60x150, St, FS RWEB 615 FS | 7109156 Obo Bettermann
Kątownik redukcyjny/końcówka do korytka kablowego 60x150, St, FS RWEB 615 FS
Informacja o Produkcie
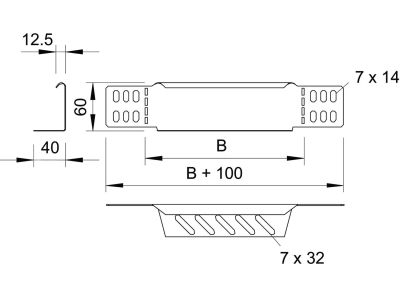
Alternatywny kod produktu: RWEB 615 FSRedukcja i blacha zakończeniowa do koryt kablowych o wysokości boku 60mm, ocynkowane metodą Sendzimira. Szerokość 150mm.
- Producent Obo Bettermann
Zakończenie do korytka kablowego
- Nadaje się do korytka kablowego o szerokości 150 mm
- System utrzymania sprawności działania E30 Nie
- Materiał Stal
- Stal nierdzewna Nie
- Gatunek materiału Inne
- Zabezpieczenie powierzchni Ocynk galwaniczny
- Kolor Brak
Do pobrania
Wszystkie obrazy































