Drabinka kablowa szerokorozpiętościowa 200x400, St, FT WKL 2040 FT (6m) | 6232106 Obo Bettermann
Drabinka kablowa szerokorozpiętościowa 200x400, St, FT WKL 2040 FT (6m)
Informacja o Produkcie
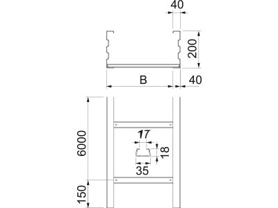
Długość 6 m.Alternatywny kod produktu: WKL 2040 FT
- Producent Obo Bettermann
Drabinka kablowa
- Perforacja boczna Tak
- Rodzaj szczebli Profil bez perforacji
- Wysokość 200 mm
- Szerokość 400 mm
- Długość 6000 mm
- Przekrój użyteczny 70400 mm²
- Model szerokorozpiętościowy Tak
- System utrzymania sprawności działania E30 Nie
- Materiał Stal
- Stal nierdzewna Nie
- Gatunek materiału Inne
- Zabezpieczenie powierzchni Ocynk ogniowy zanurzeniowy
- Kolor Kamiennoszary
Do pobrania
Wszystkie obrazy

