Przekaźnik kontroli poziomu wody deszczowej jednostanowy PZ-828-RC-WD | PZ-828RC-WD F&F
Przekaźnik kontroli poziomu wody deszczowej jednostanowy PZ-828-RC-WD
Informacja o Produkcie
- Producent F&F
- Seria producenta PZ
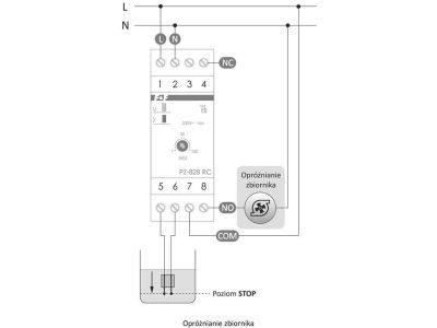
Przekaźnik kontroli poziomu (cieczy)
- Rodzaj połączenia elektrycznego Połączenie śrubowe
- Liczba wejść dla elektrod 1
- Regulowana wartość nastawy czułości Tak
- Liczba styków przełącznych 1
- Fizyczna zasada pomiaru Przewodność
Do pobrania
Wszystkie obrazy




















