Kod
1169701
Łącznik LSUTH100, gr. blachy 3,0mm | 220303 Baks
Łącznik LSUTH100, gr. blachy 3,0mm
Informacja o Produkcie
Opakowanie zbiorcze zawiera 10 szt.Alternatywny kod produktu: LSUTH100
- Producent Baks
- Seria producenta LSUTH
Łącznik do kablowych systemów nośnych
- Model Łącznik wzdłużny
- Łącznik przegubowy poziomy Nie
- Łącznik przegubowy pionowy Nie
- Rodzaj połączenia Złącze śrubowe
- Do korytek siatkowych Nie
- Do drabinek kablowych Tak
- Do korytek kablowych Tak
- Do kablowego systemu nośnego o wysokości 100 mm
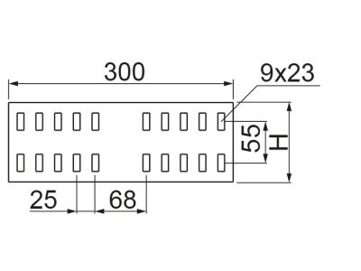
- Długość 300 mm
- System utrzymania sprawności działania E30 Nie
- Materiał Stal
- Stal nierdzewna Nie
- Gatunek materiału Inne
- Zabezpieczenie powierzchni Ocynk ogniowy zanurzeniowy
- Kolor Brak
Do pobrania
Wszystkie obrazy


































