Końcówka oczkowa Al rurowa AR 8-25, przekrój: 25mm2, otwór pod śrubę M8 | AR_8-25/10 Erko
Końcówka oczkowa Al rurowa AR 8-25, przekrój: 25mm2, otwór pod śrubę M8
Informacja o Produkcie
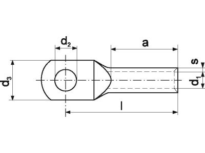
Opakowanie zbiorcze zawiera 10 szt.Alternatywny kod produktu: AR_8-25/10Aluminiowe końcówki rurowe są niezbędne przy licznych pracach elektrycznych. Służą do zakańczania żył aluminiowych okrągłych i sektorowych. Zastosowanie końcówek rurowych aluminiowych zmniejsza zjawisko przegrzewania się żył i izolacji przewodów, zwiększając tym samym bezpieczeństwo i trwałość połączenia. Aby trwale zaprasować końcówkę rurową aluminiową, należy zaprasować ją przy użyciu odpowiedniego narzędzia (w przypadku żył sektorowych należy najpierw przeformować żyłę na okrągło). Wykonanie: wymiary części rurowej wg DIN 46267 cz.2
- Producent Erko
- Seria producenta AR
Końcówka kablowa prasowana do przewodów aluminiowych
- Kształt przekroju Okrągły
- Przekrój nominalny przewodu aluminiowego 25 - 25 mm²
- Przekrój nominalny przewodu aluminiowego 35 - 35 mm²
- Rozmiar gwintu metrycznego przyłącza 8
- Materiał Aluminium
- Do linki stalowo-aluminiowej Nie
- Szczelne Nie
- Liczba otworów montażowych 1
- Zgodne z DIN Tak
- Kolor Inne
Podmiot odpowiedzialny
Pokaż/Ukryj
Adres:
Dane kontaktowe:
Do pobrania
Wszystkie obrazy



















